丝杠支承用角接触推力球轴承/Product center
- 深沟球轴承
- 调心球轴承
- 圆柱滚子轴
- 调心滚子轴承
- 滚针轴承
- 角接触球轴承
- 圆锥滚子轴承
- 推力球轴承
- 推力调心滚子轴承
- 推力角接触球轴承
- 推力圆柱滚子轴承
- 关节轴承
- 外球面球轴承
- 带座外球面球轴承
- 滚轮轴承
- 滚针和保持架组件
- 滚针组合轴承
- 带法兰单列圆锥滚子轴承
- 双列圆锥滚子轴承
- 直线运动轴承
- 陶瓷轴承
- 轴承座
- 杆端关节轴承
- 不锈钢轴承
- Y-轴承座单元
- 圆柱滚子轴承
- 径向轴密封件
- 高精密角接触球轴承P4级
- V型圈密封
- Y-轴承法兰单元
- 轴承附件
- 复合干式滑动轴套
- 免维护的杆端关节轴承
- 法兰滚子轴承单元
- SAF立式轴承座
- 耐磨轴套
- 角接触推力球轴承
- 免维护的径向球面滑动轴承
- 圆柱滚子推力轴承
- 外球面球轴承Y-轴承
- 座式滚子轴承单元
- OK couplings
- CARB圆环滚子轴承
- 轴向夹持密封件
- Disc couplings
- 推力滚子轴承
- 球面滚子轴承
- 工程产品
- 双轴承装置
- 大型SNL轴承座
- 多辊式轧钢机支承轴承
- SNL立式轴承座,系列之2、3、5和6
- 圆锥滚子推力轴承
- SDAF轴承座
- 自调心球轴承
- SAW立式轴承座
- TVN立式轴承座组座
- 密封和间隔垫圈
- 圆柱滚子和圆锥滚子组合轴承
- Supergrip bolts
- 需维护的径向球面滑动轴承
- 组合滚针轴承
- 需维护的杆端关节轴承
- FW轴套
- 7225(00)系列法兰轴承座
- Y-轴承承载单元
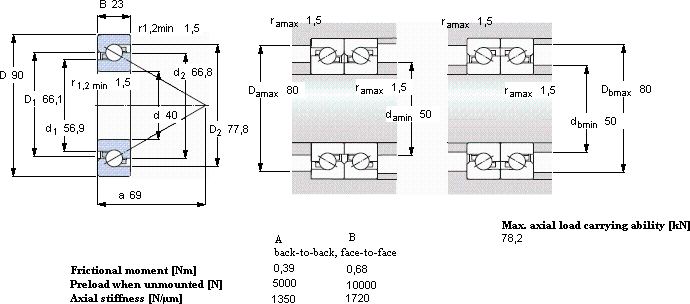
- 丝杠支承用角接触推力球轴承
型号 : BSD3572CG 品牌 : 瑞典SKF轴承 备注 : 型号 : BEAM060145-2Z 品牌 : 瑞典SKF轴承 备注 : 型号 : FBSA210/QBC 品牌 : 瑞典SKF轴承 备注 : 型号 : FBSA206/QFC 品牌 : 瑞典SKF轴承 备注 : 型号 : FBSA212A/QBC 品牌 : 瑞典SKF轴承 备注 : 型号 : FBSA208A/QBC 品牌 : 瑞典SKF轴承 备注 : 型号 : FBSA205/DB 品牌 : 瑞典SKF轴承 备注 : 型号 : BEAM035090-2Z 品牌 : 瑞典SKF轴承 备注 : 型号 : BSA215CG 品牌 : 瑞典SKF轴承 备注 : 型号 : FBSA205/DF 品牌 : 瑞典SKF轴承 备注 : 型号 : BSA206CG 品牌 : 瑞典SKF轴承 备注 : 型号 : FBSA204/QBC 品牌 : 瑞典SKF轴承 备注 : 型号 : BEAM020068-2RS 品牌 : 瑞典SKF轴承 备注 : 型号 : BEAS025057-2RS 品牌 : 瑞典SKF轴承 备注 : 型号 : BSA308CG 品牌 : 瑞典SKF轴承 备注 :
















