丝杠支承用角接触推力球轴承/Product center

SKFBSA210CG
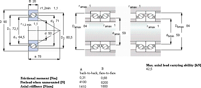
| 型号:BSA210CG | 厚度(B):20.0000 |
| 品牌:瑞典SKF轴承 | 额定转速: |
| 系列:丝杠支承用角接触推力球轴承 | 极限转速: |
| 旧型号:- | 静负荷: |
| 内径(d):50.0000 | 动负荷: |
| 外径(D):90.0000 | 备注: |
联系方式
热线电话:021-59553009/15900869104
传真:021-59553009 邮箱:shchujiezc@163.com
产品详情


| 型号:BSA210CG | 厚度(B):20.0000 |
| 品牌:瑞典SKF轴承 | 额定转速: |
| 系列:丝杠支承用角接触推力球轴承 | 极限转速: |
| 旧型号:- | 静负荷: |
| 内径(d):50.0000 | 动负荷: |
| 外径(D):90.0000 | 备注: |
热线电话:021-59553009/15900869104
传真:021-59553009 邮箱:shchujiezc@163.com
